제품 R90C-4K-MQ
IO-Link 마스터
4-채널
Modbus RTU 인터페이스
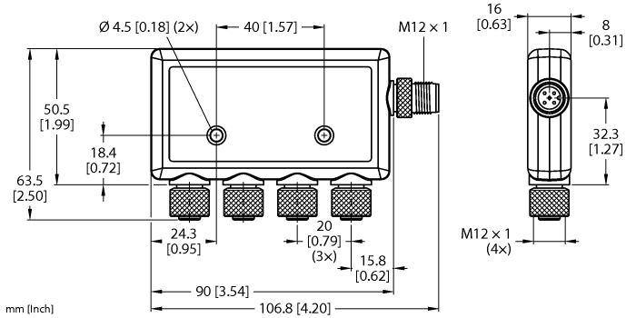
주문 번호: 3811445- 보호 등급 IP67
- 컴팩트한 플랫 하우징
- 연결: 4 × male 커넥터, M12 × 1, 1 × female 커넥터, M12 × 1
- 작동 전압: 18…30 VDC
- 4 × IO-Link 마스터 포트
- RS485 인터페이스, Modbus RTU
- Banner IO-Link 구성 소프트웨어를 사용하여 구성 가능

General data
| EAN | 662488094843 |
| Customs tariff number | 85176990000 |
| Country of origin | US |
| Weight | 151.5 g |
Technical Data
| 작동 전압 | 18…30VDC |
| 통신 프로토콜 | IO-Link, RS485, Modbus RTU, 1선식 시리얼 |
| 전기적 연결 | 커넥터,M12 × 1 |
| 하우징 재질 | 플라스틱 |
| 주위 온도 | -40…+70 °C |
| 보호 등급 | IP67/IP68 |

